Product Introduction
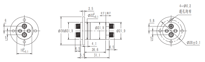
Operating frequency: DC-5GHz / DC-5GHz, with SMA-F connectors on both ends.Channel 1: VSWR ≤ 1.3, insertion loss ≤ 0.3dB. Channel 2: VSWR ≤ 1.5, insertion loss ≤ 0.5dB.Channel isolation ≥ 50dB, operating temperature -40 ºC to +75 ºC , maximum speed 60rpm, service life ≥ 5 million revolutions. The installation diameter is only 22mm, which is over 30% smaller than conventional sizes, helping to reduce the overall size of the combined product.
Main Technical Performance
| Product Specification | ||||
| Model | CH1 | CH2 | Starting Torque | 0.05Nm@room temperature |
| Interface Type | SMA-F(50Ω) | SMA-F(50Ω) | Continuous Rotation Torque | 0.05Nm@room temperature |
| Type | I | I | Maximum Speed | 60rpm |
| Operating Frequency | DC-5GHz | DC-5GHz | Minimum Operating Life | 10 million rotations |
| Peak Power | 1000W | 1000W | Housing Material | Aluminum Alloy |
| Average Power | 30W@4.5GHz | 10W@4.5GHz | Surface Treatment | Conductive Oxidation |
| Voltage Standing Wave Ratio, maximum | 1.3 | 1.5 | Approximate Weight | 60g |
| Voltage Standing Wave Ratio maximum fluctuation | 0.05 | 0.1 | Protection Class | IP51 |
| Insertion Loss, maximum | 0.3db | 0.5db | Operating Temperature | -40ºC~ +75ºC |
| Insertion Loss maximum fluctuation | 0.1db | 0.15db | Storage Temperature | -45ºC~ +80ºC |
Phase Variation, maximum | 0.5° | 2° | Maximum Relative Humidity in Operating Environment | ≤95%RH |
Isolation Degree, minimum | 50dB | Maximum Relative Humidity in Storage Environment | ≤95%RH | |
SRF-201-M Dimensions
