Product Introduction
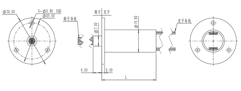
This slip ring features a modular design with 24/30 circuits. It has a compact structure with a main body diameter of only 15.5 mm, making it easy to install and suitable for harsh environments. The use of precious metal friction pairs ensures a long service life.
Main Technical Performance
Specifications Sheet | |||
Model | Circuits | Length | Main Body Outer Diameter |
HXZ-15.5-24X | 24 | 31.5 | 15.5 |
HXZ-15.5-30X | 30 | 37.5 | 15.5 |
Conductive Parameters | |||
Operating Voltage | 110V AC/DC | ||
Contact Resistance Variation | ≤35mΩ(at 50rpm) | ||
Dielectric Strength | ≥200VAC@50Hz | ||
Insulation Resistance | ≥100MΩ@200VDC | ||
Wire Specifications | Ø0.65-AWG28 silver-plated Teflon wires | ||
Wire Length | Rotor:250±5mm Stator:250±5mm | ||
Mechanical Parameters | |||
Operating Temperature | -20℃~ +65℃ | ||
Operating Humidity | ≤60%RH | ||
Protection Level | IP40 | ||
Operating Speed | 0 ~ 300rpm | ||
Service Life | ≥ 5 million revolutions | ||
Conductive Contact Material | Precious metals | ||
Housing Material | Engineering plastics | ||
Other Requirements | Full inspection | ||
Wire Specifications and Color Code Table | ||||||
Model | Color Code | |||||
HXZ-15.5-24X | 1. Black | 2. Brown | 3. Red | 4. Orange | 5. Yellow | 6. Green |
7. Blue | 8. Purple | 9. Gray | 10. White | 11. Light Red | 12. Light Blue | |
13.Black | 14. Brown | 15. Red | 16. Orange | 17. Yellow | 18. Green | |
19. Blue | 20. Purple | 21. Gray | 22. White | 23. Light Red | 24. Light Blue | |
HXZ-15.5-30X | 1. Black | 2. Brown | 3. Red | 4. Orange | 5. Yellow | 6. Green |
7. Blue | 8. Purple | 9. Gray | 10. White | 11. Light Red | 12. Light Blue | |
13.Black | 14. Brown | 15. Red | 16. Orange | 17. Yellow | 18. Green | |
19. Blue | 20. Purple | 21. Gray | 22. White | 23. Light Red | 24. Light Blue | |
25. Black | 26. Brown | 27. Red | 28.Orange | 29. Yellow | 30. Green | |
HXZ-15.5 Dimensions
