Product Introduction
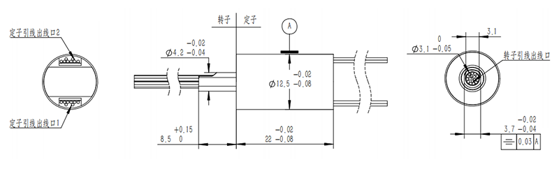
This slip ring features a modular design with 16 circuits, including 2 power rings rated at 4A, 2 power rings rated at 2A, and 12 signal rings rated at 1A. It has a compact structure, with a length of 22mm and a main body diameter of only 12.5mm. The rotor leads can be bent at a 90-degree angle.
This product is primarily used in optoelectronic pods,characterized by its compact structure, easy installation, and short production cycle. It is capable of withstanding harsh environments, featuring precious metal friction pairs for a long service life.
Main Technical Performance
Specifications Sheet | |||
Model | Circuits | Length | Main Body Outer Diameter |
HLH-16HD | 16 | 30.5 | 12.5 |
Conductive Parameters | |||
Operating Voltage | 48V AC/DC | ||
Contact Resistance | Power Circuits:≤30mΩ Signal Circuits:≤70mΩ | ||
Contact Resistance Variation | ≤10mΩ | ||
Dielectric Strength | 380V/50Hz AC for 60 seconds, with no breakdown or flicker | ||
Insulation Resistance | ≥500 M Ω/500V/DC | ||
Wire Specifications | AFR-250-2*0.2 AFR-250-2*0.08 AFR-250-2*0.02 | ||
Wire Length | Rotor: > 300mm Stator: > 300mm | ||
Mechanical Parameters | |||
Operating Temperature | -40℃~ +55℃ | ||
Storage Temperature | -55℃~ +75℃ | ||
Friction Torque | ≤0.01N.m | ||
Operating Speed | 0 ~ 200rpm | ||
Service Life | ≥ 5 million revolutions | ||
Conductive Contact Material | Precious metals | ||
Housing Material | Aluminum Alloy | ||
Weight | < 50g | ||
Wire Specifications and Color Code Table | |||||
Model | Wire Specifications | Color Code | |||
HLH-16HD | AFR-250-0.2 | 1/2.Red and White Twisted Pair | |||
AFR-250-0.08 | 3/4. Red and White Twisted Pair | ||||
AFR-250-0.02 | 5/6. Red and White Twisted Pair | 7/8. Red and White Twisted Pair | 9.White | ||
10/11. Red and White Twisted Pair | 12/13. Red and White Twisted Pair | 14. Red | |||
15. White | 16. White | ||||
HLH-16HD Dimensions
