Product Introduction
Working frequency: DC-4.5GHz/DC-4.5GHz, with SMA-F interface on both ends. Channel 1: standing wave ratio ≤1.2, insertion loss ≤0.25dB.Channel 2: standing wave ratio ≤1.5, insertion loss ≤0.3dB. Channel isolation ≥50dB, working temperature -45ºC ~ +70ºC .Maximum rotation speed: 60rpm, working life ≥5 million revolutions. Installation diameter: 32mm, convenient for integration and assembly with conductive slip rings.
Main Technical Performance
| Product Specification | ||||
| Model | CH1 | CH2 | Starting Torque | 0.05Nm@room temperature |
| Interface Type | SMA-F(50Ω) | SMA-F(50Ω) | Continuous Rotation Torque | 0.05Nm@room temperature |
| Type | I | I | Maximum Speed | 60rpm |
| Operating Frequency | DC-4.5GHz | DC-4.5GHz | Minimum Operating Life | 10 million rotations |
| Peak Power | 1500W | 1500W | Housing Material | Aluminum Alloy |
| Average Power | 30W@4.5GHz | 10W@4.5GHz | Surface Treatment | Conductive Oxidation |
| Voltage Standing Wave Ratio, maximum | 1.2 | 1.5 | Approximate Weight | 130g |
| Voltage Standing Wave Ratio maximum fluctuation | 0.05 | 0.2 | Protection Class | IP51 |
| Insertion Loss, maximum | 0.25dB | 0.3dB | Operating Temperature | -40ºC~ +75ºC |
| Insertion Loss maximum fluctuation | 0.05dB | 0.15dB | Storage Temperature | -45ºC~ +80ºC |
Phase Variation, maximum | 0.5° | 2° | Maximum Relative Humidity in Operating Environment | ≤95%RH |
Isolation Degree, minimum | 50dB | Maximum Relative Humidity in Storage Environment | ≤95%RH | |
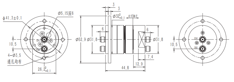
SRF-201 Dimensions
