Product Introduction
FRSS type single channel fiber optic rotary joint is a universal model with a small diameter of only 6.8mm, making it a compact and cost- effective product. It is suitable for installation in radar, unmanned aerial vehicles, artificial intelligence, monitoring equipment, and other products. It has good optical performance, is waterproof and dustproof, and easy to install.
Elements Required for Ordering
FRSS①-②-③-④-⑤-⑥/⑦
Example:FRSS-9/125-1310-1m-Φ3.0-FC/PC
①Channel | ②Fiber Type | ③Operating Wavelength | Tail Fiber |
1 |
9/125(single-mode) |
1310 1550 | ④Tail Fiber: length 1.2m, S (customer specified) ⑤Package: Φ0.6mm, Φ2mm, Φ3mm, K= armor-clad ⑥Connector Type: FC, ST, SC, LC, N= no connector |
⑦End Face Type: PC (flat), APC (angled) |
Main Technical Performance
Indicator Name | Value |
Operating Wavelength | 1310/1550(SM) |
Insertion Loss (Room Temperature) | ≤5dB |
Insertion Loss Fluctuation | ≤3dB |
Power Handling | ≤23dBm |
Tensile Strength | ≤12N |
Rotation Speed | 0 ~ 1500rpm |
Estimated Lifetime | > 200 million rotations |
Operating Temperature | -20 ~ 60℃ |
Storage Temperature | -50 ~ 85℃ |
Protection Class | IP54 |
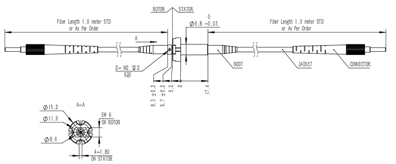
FRSS Dimensions
