Product Introduction
Operating frequency range is DC-8GHz/DC-8GHz, with SMA-F interfaces on both ends. Channel 1: standing wave ratio ≤ 1.3, insertion loss ≤ 0.4dB. Channel 2: standing wave ratio ≤ 2.0, insertion loss ≤ 1.0dB. Channel isolation≥50dB, operating temperature -45 ºC~ +70ºC .Maximum speed is 60rpm, and the operating lifespan is ≥ 5 million rotations.Installation diameter is 32mm, which is convenient for conductive slip ring integration and assembly.
Main Technical Performance
| Product Specification | ||||
| Model | CH1 | CH2 | Starting Torque | 0.05Nm@room temperature |
| Interface Type | SMA-F(50Ω) | SMA-F(50Ω) | Continuous Rotation Torque | 0.05Nm@room temperature |
| Type | I | I | Maximum Speed | 60rpm |
| Operating Frequency | DC-18GHz | DC-5GHz | Minimum Operating Life | 5 million rotations |
| Peak Power | 1500W | 1500W | Housing Material | Aluminum Alloy |
| Average Power | 50W@1GHz | 10W | Surface Treatment | Conductive Oxidation |
| Voltage Standing Wave Ratio, maximum | 1.3@DC-8Ghz | 1.5 | Approximate Weight | 130g |
| Voltage Standing Wave Ratio maximum fluctuation | 1.5@8-18Ghz | 0.2 | Protection Class | IP51 |
| Insertion Loss, maximum | 0.1db | 0.3db | Operating Temperature | -40ºC~ +75ºC |
| Insertion Loss maximum fluctuation | 0.8db | 0.15db | Storage Temperature | -45ºC~ +80ºC |
Phase Variation, maximum | 1° | 2° | Maximum Relative Humidity in Operating Environment | ≤95%RH |
Isolation Degree, minimum | 50dB | Maximum Relative Humidity in Storage Environment | ≤95%RH | |
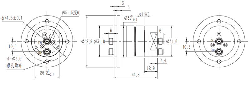
SRF-203 Dimensions
